2014.08.19 17:37 更新
2014.08.19 取材
Super Micro Computer, Inc.(本社:アメリカ カリフォルニア州)から、Atom C2750とLSI製SASコントローラ「LSI SAS2116SW」を搭載する、サーバー向けマザーボード「A1SA7-2750F」の発売が開始された。販売ショップはパソコンハウス東映で、価格は税込66,980円。
![]() |
|
| Atom C2750とLSI製SASコントローラ「LSI 2116SW」を搭載した1Uサーバー向けマザーボード「A1SA7-2750F」 |
SUPERMICRO「A1SA7-2750F」は、LSIのSAS 6Gbps対応コントローラ「LSI SAS2116SW」をオンボードで搭載する、1Uサーバー向けコンパクトマザーボード。SoC内蔵のSATA3.0(6Gbps)×1に加え、16ポートのSATA3.0(6Gbps)が用意され、実に17台ものストレージを増設カードなしで接続することができる。
![]() |
![]() |
| 「LSI 2116SW」で増設されたSATA3.0(6Gbps)ポート。残念ながらRAID機能には対応していない | バックパネル側に配置されたオレンジ色のSATA3.0(6Gbps)ポートはSoC直結 |
またCPUにはTDP20Wのサーバー向けSoC、Atom C2750(8コア/定格2.40GHz/TB時2.60GHz/キャッシュメモリ4MB)が採用され、パワフルながらファンレス駆動に対応。メモリスロットはDDR3-1600MHz×4(DDR3L/ECC対応)で、最大64GBの大容量構成に対応する。
![]() |
![]() |
| Atom C2750(画像右)、「LSI 2116SW」(画像左)とも冷却はパッシブヒートシンクを採用 | バックパネルインターフェイスはギガビットLAN×2、マネジメントLAN×1、USB2.0×2、D-Sub×1を搭載 |
その他、拡張スロットはPCI-Express2.0(x4/x8形状)×1。USBポートはUSB2.0×3(リア×2/タイプA×1)で、グラフィックス出力はD-Sub×1(ASPEED AST 2400)を搭載。基板サイズは210.8×170.2mmの1U専用タイプで、電源コネクタは12V 8pin+5V 4pinが用意される。
![]() |
![]() |
| パッケージいっぱいに収納されていたSATAケーブル | マニュアルを確認するとメモリは1枚あたり最大16GBまでサポートしている |
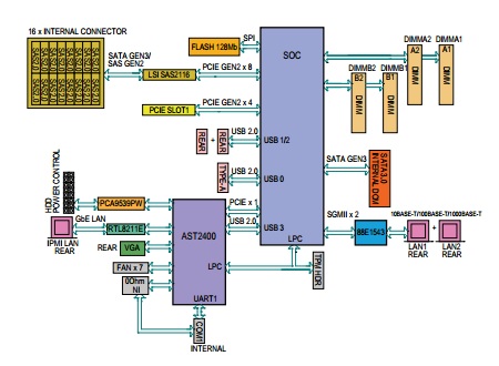
![]() |
|
| ブラックダイアグラム図を確認すると、「LSI SAS2116SW」はPCI-Express2.0(x8)を経由してSoCに接続されているのが分かる | |
文: GDM編集部 Tawashi/GDM編集部 池西 樹
SUPERMICRO: http://www.supermicro.com/

