エルミタ的速攻撮って出しレビュー Vol.188
2012.11.05 更新
文:GDM編集部 池西 樹
「GA-F2A85X-UP4」はGIGABYTEブランドのSocket FM2対応ATXマザーボード。AMDプラットフォームでは始めて「Ultra Durable 5」に準拠し、電源回路には高効率かつ低発熱なInternational Rectifier(以下IR)製ICチップ「IR3550 PowIRstage」と大容量フェライトチョークを搭載。さらにデジタル制御のIR製PWMコントローラを採用することで、高負荷時でも迅速かつ正確な電源供給を可能とした。
またチップセットには最上位「AMD A85X」が採用され、SATA3.0(6Gbps)は内蔵7ポート、外部1ポートの計8ポートを用意。拡張スロットはPCI-Express2.0(x16)×1、PCI-Express2.0(x8)×1(x16形状)、PCI-Express2.0(x4)×1(x16形状)、PCI-Express2.0(x1)×3、PCI×1で、マルチグラフィックス機能はCrossFire X、Dual Graphicsに加えVirtu Universal MVPをサポートするなど拡張性の高さも特徴のひとつ。
![]() |
|
| 「AMD A85X」チップセットを搭載した「GA-F2A85X-UP4」。GIGABYTEブランド上位モデルの証“マットブラック”基板を採用する | |
![]() |
![]() |
| おなじみの白を基調としたパッケージには「Ultra Durable 5」対応が大きく謳われている | |
![]() |
付属品はマニュアル類、SATAケーブル×3、バックパネル、ドライバCDとハイエンドとしてはシンプルな構成 |

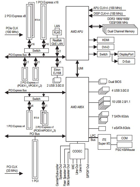
続いてブロックダイアグラムから「GA-F2A85X-UP4」の構成を確認していこう。Socket FM2プラットフォームではノースブリッジの機能はAPUに内蔵され、PCI-Express2.0(x16)×2、ギガビットLAN、増設用USB3.0チップなどはAPU側に直結されている。
一方「AMD A85X」からは、USB3.0×4、SATA3.0(6Gbps)×8などのインターフェイスが増設され、拡張スロットはPCI-Express2.0(x4)(x16形状)、PCI-Express2.0(x1)、PCIが接続されている。
![]() |
|
| マニュアル記載の「GA-F2A85X-UP4」ブロックダイアグラム | |

